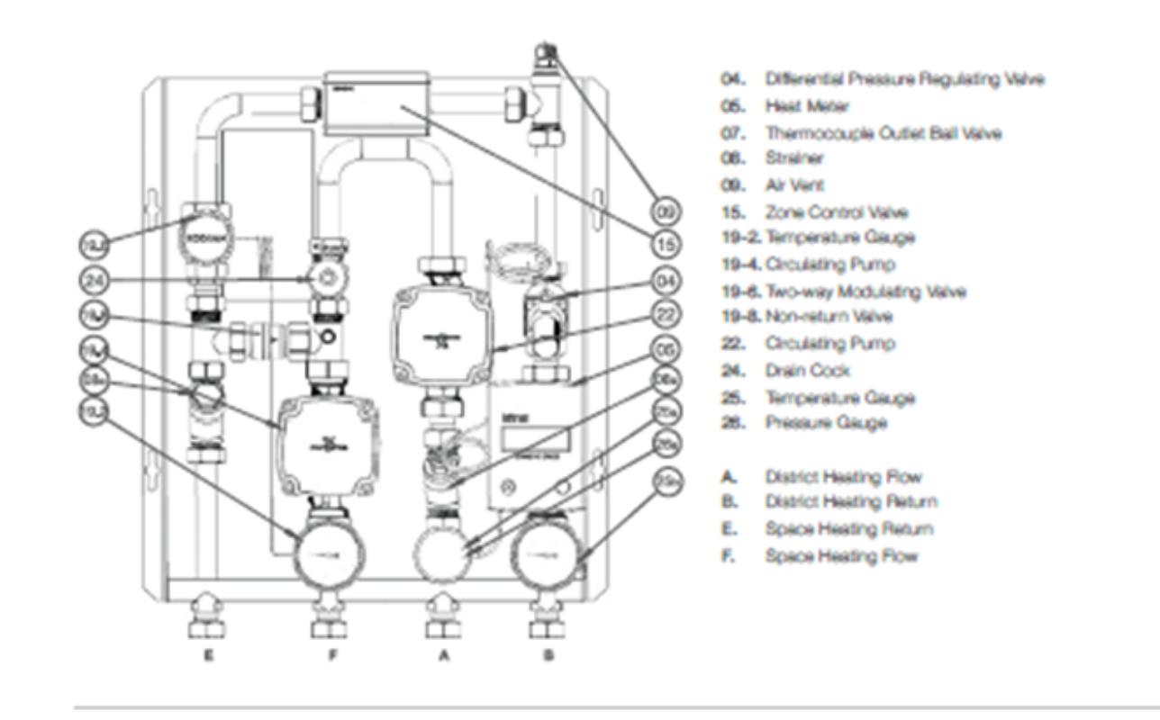
- Heating System : Two Pipe Flow
- Mounting : Wall Mounted
- Dimensions : G x D x Y (mm) (***)
- Casing : Painted Metal Sheet
- Plate Heat Exchanger : Stainless Steel, Copper Brazed
- Pipework : Stainless Steel Pipe With Brass Fittings
- Insulation : EPP, ERF
- All External Connections : G¾” Coupling
Flat Station
HS Code : 840410
Certificates :
Product Details
Technicial Specifications
Other products
About the Company
Contact
Nominal Heat Capacity (*) : Underfloor Heating: 15 kW
Radiator Heating: 26 kW
Maximum Flow Rate : 900 l/h
Nominal Water Temperature : 70 °C
Min.- Max. Flow Temperature : 50- 90 °C
Nominal Pressure : PN 10 (*****)
Min. Required Differential Pressure : 35 kPa (****)
